Czym jest i jak działa gruntowa pompa ciepła?

Gruntowa pompa ciepła to ekologiczne urządzenie grzewcze, które wykorzystuje energię zgromadzoną w gruncie do ogrzewania pomieszczeń. Działa to na zasadzie przenoszenia ciepła z zewnątrz do wnętrza domu. Co ważne, podczas pracy nie spala paliw, więc nie emituje spalin ani nie produkuje popiołu czy kurzu. Dzięki temu jest nie tylko wydajna, ale i przyjazna dla środowiska. Dodatkowo pompa zużywa stosunkowo mało energii elektrycznej, co zapewnia jej ciągłą i ekonomiczną pracę. Dlatego pompy ciepła, w tym gruntowe pompy ciepła, określa się rozwiązaniem przyjaznym środowisku naturalnemu.

Cały system grzewczy oparty na pompie ciepła gruntowej składa się z trzech elementów:

1

źródła ciepła, czyli energii geotermalnej;

2

ziemnej pompy ciepła, która odpowiada za to, by uzyskiwane z gruntu ciepło było użyteczne;

3

system mający za zadanie przechowywać i rozprowadzać wytworzone przez pompę ciepło.

Gruntowy wymiennik ciepła – pionowy czy poziomy?

Przy wyborze gruntowej pompy ciepła istotną decyzją jest rodzaj wymiennika ciepła: pionowy czy poziomy. Pionowy wymiennik wymaga wykonania głębokich odwiertów w ziemi, gdzie umieszczany jest kolektor. To rozwiązanie jest skuteczne, ale bardziej inwazyjne. Poziomy wymiennik, z kolei, zakłada umieszczenie kolektora na niewielkiej głębokości, tuż pod powierzchnią ziemi, co jest mniej skomplikowane i często tańsze w realizacji.

Choć wykonanie odwiertu podnosi koszty inwestycji, to zastosowanie pionowego wymiennika jest gwarancją bardziej efektywnego działania pompy. Wynika to z tego, że niższe warstwy gruntu zachowują stałą temperaturę, która nigdy nie spada poniżej zera. W drugim przypadku trzeba się liczyć z mniejszą wydajnością pompy ciepła, ze względu na wahania temperatur.

Chociaż pompy gruntowe z pionowymi i poziomymi wymiennikami ciepła różnią się od siebie, oba typy efektywnie ogrzeją budynek mieszkalny. Możesz zainstalować je niemal wszędzie, w przeciwieństwie do wodnych pomp ciepła, które wymagają dostępu do źródeł wodnych jak rzeki czy jeziora. Są one również bardziej stabilne i wydajne niż powietrzne pompy ciepła, które najlepiej działają, gdy na zewnątrz panują umiarkowane warunki atmosferyczne.

Gruntowe pompy ciepła – zalety

Gruntowe pompy ciepła to jedno z najbardziej efektywnych i ekologicznych rozwiązań grzewczych dostępnych na rynku. Wykorzystują energię zgromadzoną w ziemi. Dzięki temu są niezależne od zmiennych warunków pogodowych i zachowują wysoką sprawność nawet w bardzo niskich temperaturach. Oznacza to mniejsze zużycie energii elektrycznej w porównaniu z tradycyjnymi systemami grzewczymi. Przekłada się to także na niższe rachunki oraz ograniczenie emisji dwutlenku węgla. Pompy ciepła mogą być również wykorzystywane do chłodzenia budynków w okresie letnim, co zwiększa ich funkcjonalność i uniwersalność.

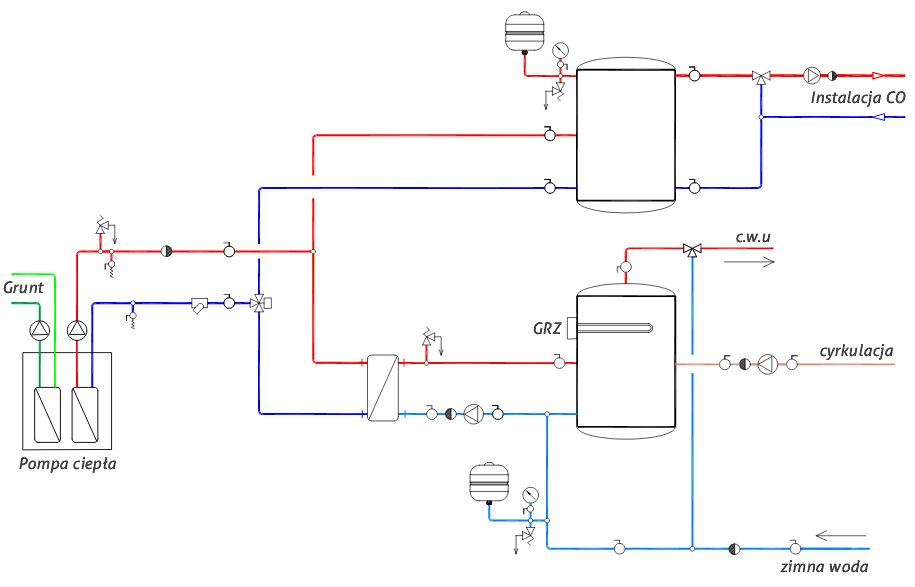
Schemat Ideowy instalacji

Pompa ciepła solankowa z podwójna sondą

Masz pytania? zadzwoń do nas lub napisz!